Tessa Axsom

Tessa Axsom is a technical writer at Fictiv with 10 years of experience in Engineering, encompassing quality management, metallurgy, design engineering, and technical writing. She holds a Bachelor of Science Degree in Mechanical Engineering from Purdue University and is passionate about sharing her knowledge and experience.

All articles from the author

Article

How to Design Snap Fit Components

Designing components with snap-fits can save you time and money in production by reducing material costs and part quantities, as well as making assembly easier. Typically in the past, injection molding was the most viable method for producing snap-fit joints in plastics. Today, however, CNC machining and 3D printing have opened up both new opportunities […]

Article

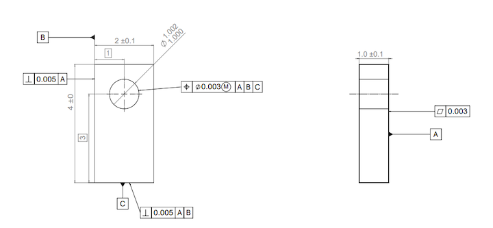
GD&T 101: Our Guide to Geometric Dimensioning and Tolerancing

Geometric Dimensioning and Tolerancing (GD&T or GD and T) is a standardized system that uses symbolic language to define and communicate product geometry, design intent, and engineering dimensions and tolerances, ensuring precise control over manufacturing variations.  Download the free eBook version and master the fundamentals of GD&T— including tips, terms, and best practices, all in […]

Article

Large CNC Machining: Precision Manufacturing for Oversized Components​

When it comes to building big (think aircraft components, wind turbine hubs, or massive industrial tooling), large CNC machining makes it possible to achieve tight tolerances at an impressive scale. These specialized machining centers are engineered to handle oversized parts that exceed the dimensional or weight limits of standard equipment, delivering nearly the same precision […]

Article

CNC Machining Coolants and Cutting Fluids: Types, Benefits, and Best Practices

If you’ve ever seen a CNC machine operate, you know it’s loud, hot, and fast. Managing heat and friction in CNC machining is critical to maintaining precision and tool longevity. Excessive heat, primarily generated by friction between the cutting tool and the workpiece, can lead to premature tool wear, poor surface finishes, and even material […]

Article

Copper in Manufacturing: Properties, Types, Processes, and Industry Applications

Copper is an incredible metal and element that powers the world in various applications, from electronics to piping, and even as a coenzyme in the human body. What is Copper? Copper is likely powering something near you at this very moment. Derived from the Latin word Cuprum meaning “from Cyprus,” Copper (Cu)  has been used […]

Article

Die Casting: Overview, Materials, Process, & Applications

What Is Die Casting? Die casting is a process where molten metal is cast into a mold, forming the desired part shape. Typically, a non-ferrous alloy like aluminum or zinc is used. This manufacturing process enables the creation of intricate geometries with a focus on efficiently producing large quantities of parts with high precision. Some […]

Article

Anodizing Rack Marks: Guide to Cosmetic Quality

Anodizing is a popular surface treatment process used in various industries to provide superior protection and enhance the appearance of aluminum parts. Since anodizing is an electrochemical process, meaning there needs to be chemical immersion/exposure along with a flow of electricity, there has to be a way for the circuit to be completed to the […]

Article

Prototyping for the 5 Stages of the Product Development Process

Prototypes are integral to product development, moving a product from initial ideation to fabrication. This article will break the product development process down into five general stages and discuss how various types of prototypes, from visual aids to fully functional test articles, provide tangible benefits to the product development process as a whole.  The project […]

Article

All About Sheet Metal: Materials, Geometries, Manufacturing Processes

Sheet metal is generally composed of thin and flat sheets of metallic material. Its versatility makes it very useful for a broad range of applications and manufacturing processes. It can be rapidly shaped and cut to produce many components and can be made from various metals and metal alloys like stainless steel, carbon steel, aluminum, […]

Article

DJI Mini 2 SE Drone Teardown

One of this year’s most popular Christmas gifts is the DJI SE 2 Mini Drone. It boasts level 5 wind resistance (up to 23.6 MPH), a maximum takeoff altitude of under 2.5 miles, and up to 31 minutes of flight time. All these capabilities are packed in a tiny package, weighing just over half a […]

Article

3D Printing Materials and Applications: A Comprehensive Guide

Incorrect material selection can be detrimental to the success of a project and even result in financial loss or, more significantly, loss of life. Material selection is often one of the first and most important decisions you will make in new product development or component design. I have found few design engineers are well-versed in […]

Article

How to Make Prototypes and Custom Parts With Carbon Fiber

Carbon fiber has an excellent strength-to-weight ratio and can achieve high stiffness levels with thin walls. It’s especially effective for aerospace, robotics, and sports equipment. Additionally, it can be relatively easy to create complex prototypes or one-off parts with carbon fiber, provided the right tools and techniques are used. This article will cover the basics […]

Article

New Fictiv 3D Printing Material/Process: CarbonDLS

Fictiv, the operating system for custom manufacturing, today announced Carbon Digital Light Synthesis (DLS) 3D printing technology as part of our robust, production-level 3D printing capabilities. Carbon DLS printing offers injection molding level repeatability alongside the ability to manufacture complex geometries, similar to our stereolithography (SLA) and fused deposition modeling (FDM) options. Within this new […]

Article

Finding the Right Secondary Operations after CNC machining, Part I: Heat Treatments

Welcome to the world of post-CNC heat treatment! Now that you’ve successfully CNC machined your parts, it’s time to give them the TLC they deserve. Don’t let those raw components go out into the world without a little extra oomph.  Once you’ve finished CNC machining your parts, your work isn’t done. Those raw components might […]

Article

Top Trends in Clean Energy Manufacturing 2023

Clean energy utilization is fueling the future of manufacturing. It’s growing at a rapid pace that eclipses traditional fossil fuel technologies. Existing technologies like solar, hydrogen, and electric vehicles are becoming cheaper, newer, and more exotic, but  forms of energy like fusion are becoming a reality.  Fusion energy is the next big innovation in the […]

Article

CNC Machining for Prototyping

The prototyping process is the method of physically building a model or draft of an idea. As engineers, prototyping is a crucial step in the product development process whereby a solid model comes to life, and we can touch, see, and interact with it.  Historically, traditional prototyping has been a lengthy and expensive process, but […]

Article

What Is a CMM? Components, Uses, and Benefits

If you have ever been in a quality lab where complex or precision CNC machined parts are inspected, you have likely seen a Coordinate Measuring Machine (CMM). A CMM is a sophisticated, automated metrology instrument used to accurately measure dimensions and geometric relationships. A CMM plays a significant role in guaranteeing that manufactured parts meet […]

Article

Plastic Joining Methods: A Guide to Mechanical Fastener Options From Snap Fits to Adhesives

There are many ways to join or fasten plastic parts, and the right method depends on your design goals, materials, and production needs. Options range from simple mechanical fasteners like screws or inserts, to molded-in features such as snap-fits, to adhesives, welding, and other specialty techniques. Each comes with its own strengths in terms of […]

Article

Rake Angle Guide for Machining

One of the most important factors in machining is the geometry of the cutting tool, and one component of that is the rake angle. A tool’s rake angle will affect how much material can be removed, how easily chips form and break, the horsepower required to cut, and even the tool’s life. It must be […]

Article

Too Tight or Perfect Fit? When to Use Press Fits in Assemblies

example dowel pin interference fit table

Article

Types of Reamer Tools Used in Machining

Reamers are finishing tools designed to enhance the precision of a pre-drilled hole while creating a smooth surface finish. Both cylindrical and tapered holes can be produced with reamers. Reamed holes are required for precision applications such as tool and die making, combustion engine parts, airframe fastener holes, and firearms. This article will describe what […]

Article

Teflon® (Polytetrafluoroethylene) PTFE and the Coefficient of Friction

PTFE, or Polytetrafluoroethylene, AKA Teflon®, is a unique material with a few physical properties that make it versatile enough for parts across various industries. One of these unique physical properties is a low coefficient of friction, which makes PTFE highly usefully in critical applications.  Understanding the coefficient of friction is fundamental knowledge that’s essential for […]

Article

Acrylic vs. Polycarbonate CNC Machining

Optically clear plastics like acrylic and polycarbonate are popular glass alternatives because they have excellent optical clarity (up to 92% visible light transmittance), and are lightweight, easy to machine, and cost-friendly.  This article discusses these two plastics and their general characteristics and applications — including the CNC machining requirements for acrylic and polycarbonate, and when […]

Article

9 Tips for Better Engineering Drawings that Save Time and Money

This article was revised by Tessa Axsom in September 2023 Even in 2023, with the rising popularity of model-based definitions, engineering drawings are still a great way to communicate design intent for CNC machined parts that require tight tolerances, material specifications, or other special requirements. That’s why many Fictiv customers in the robotics, aerospace, automotive, […]

Article

Hot Forging vs. Cold Forging

Forging is a basic cycle in metalworking that permits manufacturers to shape and change unrefined substances into accurately designed parts. Hot forging and cold forging are the two basic methods, and each offers unmistakable benefits and is fit for specific applications.  This article discusses hot and cold forging, their disparities, applications, and a rubric for […]

Article

3D Printing Inserts: Types, Installation & Best Practices

When designing robust 3D-printed assemblies, you need a comprehensive understanding of the optimal ways to assemble different components. And when it comes to securing 3D-printed parts, Metal inserts are a superior method as opposed to 3D printing threads, which often result in subpar connections. This article will delve into the various types of inserts, strategies […]

Article

Our Guide to Counterbore Holes

Counterbore holes are popular for receding fasteners and seals in machined parts, especially in sealing applications, mechanical assemblies, and automotive parts. They have a non-tapered recessed area, so the heads of installed fasteners sit flush with the surface of the part.  In this article, we’ll define counterbore holes, explain when to use a counterbore, and […]

Article

Precision Machined Parts: Fictiv’s Comprehensive Guide

What comes to mind when you think of precision machined parts? Maybe what comes to mind is something like a super fancy surgical instrument, components of a space antenna, or even a jet engine. Precision machining is what produces many of the parts that make the world go round. This guide will explain the basics […]

Article

Engineering Fundamentals Refresh: Compressive Stress

🎵 Mm-noom-ba-deh Doom-boom-ba-beh Doo-boo-boom-ba-beh-beh Pressure! Pushin’ down on me, Pressin’ down on you, no man ask for Under pressure! That brings a building down 🎵 We’re back with an engineering fundamentals refresh about compressive stress (and an assist from Freddie Mercury and David Bowie).  It’s never too early to get acquainted, or too late to […]

Article

Solid Edge® vs. Solidworks® Comparison

Solidworks® and Solid Edge®  are premium CAD packages for product and machine design. Solidworks® is primarily parametric, whereas Solid Edge® combines parametric design with synchronous modeling and direct editing. Solid Edge® has a more flexible subscription pricing structure. Solidworks® and Solid Edge® have various pricing tiers with complex functionality like FEA (Finite Element Analysis). While […]

Article

10 Trends Shaping the Future of Supply Chain Management

The global supply chain is rapidly evolving, trying to keep up with the dizzying technological advancements of the modern era. Read on to learn about the latest supply chain innovations in 2023 and beyond. 1. Artificial Intelligence and Automation Artificial intelligence (AI) is more popular than ever. Our 2023 State of Manufacturing Report shows that […]

Article

Tool Balancing: Our Top 5 Tips

Balance is important when you’re CNC machining parts —  you can break things if your balance is off. Balancing tools for CNC machinery, or “tool balancing”: This article will discuss how tool balancing works, its process, the common tool balancing standards, the importance of tool balancing, and the considerations to take. Why Should You Balance […]

Article

Rapid CNC Machining vs Traditional CNC Machining

We live in a world where we expect everything to be fast. Cars move fast. We get our food in a drive-thru. Everyone needs everything right now. This demand for speed extends to every aspect of life, including your profession, where you likely are under pressure to source high-quality parts at rapid speeds. I have […]

Article

What Is a Toolroom Mill?

It’s usually not the most organized, clean, or well-lit area in a machine shop, but it is critical in supporting machining operations. In manufacturing facilities equipped with them, the toolroom is a designated space that engineers and expert machinists use to create and maintain tooling. This area is typically separate from the main production floor […]

Article

3D Printing: It’s Time.

Q&A with Joanne Moretti, Chief Revenue Officer, Fictiv By Tessa Axiom, Technical Writer/Mechanical Engineer, Fictiv Recently, I sat down with Joanne Moretti, CRO at Fictiv, to learn more about the evolving 3D-printing market. In this Q&A, she will share her point of view on the shifts taking place in this fast-paced market and its changing […]

Article

Our Top Three Tips for Reducing CNC Lead Time

Time is money, and when you’re replacing a safety-critical part on a conveyor belt, needing interim production parts due to a line-down situation, or working on a new product to show a customer in a few days, fast CNC machined parts can save or make you a lot of cash. Nothing is more frustrating to […]

Article

Crumbling Down Brittleness

What do you call a brittle superhero? Fragile-man! When you think of brittleness, what comes to mind? Maybe a piece of fine porcelain that shatters when you drop it, or perhaps a window pane that shattered from an errant golf shot.  Brittleness is defined not only as the tendency of a material to fracture when […]

Article

CNC Machine Coolant: Purpose, Types, and Management

If you’ve ever seen a CNC machine operate, you know it’s loud, hot, and fast — I remember the first time I saw one in action and felt the vibrations through the floor next to the machine. Achieving accurate and high-quality results without overheating or damaging the equipment requires advanced machinery and proper cooling methods. […]

Article

CREO vs. SolidWorks® Comparison

Creo and SolidWorks® are considered powerful CAD packages that can generate 3D models, shop drawings, and G-code for CNC machining. Both programs can simulate designs to ensure they can handle the applied loads. Each is available in various tiers of functionality and price with different features. SolidWorks® has more flexible licensing options when compared to […]

Article

5 Ways AI is Impacting 3D Printing

When technologies converge, innovation can occur at a staggeringly fast pace. Advancements in additive manufacturing and artificial intelligence are now poised to combine to achieve greater results than ever before, in far less time. That’s because AI can enhance and improve every aspect of the 3D printing process, from ideation to quality control. Read on […]

Article

Preventing 3D Printing Heat Creep: Solutions and Causes

3D printing has revolutionized the way we bring ideas to life by offering unprecedented freedom of design and manufacturing possibilities. But with every great invention comes new challenges, and every 3D printing enthusiast has encountered the phenomenon known as “heat creep.” Heat creep can severely influence the quality of your prints, leading to filament jams, […]

Article

Engineering Fundamentals Refresh: Mechanical Creep (Deformation)

In mechanical engineering, creep is a metallurgical phenomenon where a metal slowly deforms due to prolonged exposure to stress below its yield strength. Read on to learn more about creep and how it works, then see some visual creep depictions and examples.  What is Mechanical Creep? In Engineering Fundamentals Refresh: Strength vs. Stiffness vs. Hardness, […]

Article

The 4 Phases of IoT Product Development Made Easy

This article is based on Breadware’s IoT Product Development in 4 Smart Steps, which outlines the four phases of IoT Product Development. The Internet of Things (IoT) market has exploded in recent years, and now IoT-connected devices outnumber non-connected devices. Thus far in 2023, 3.22 billion new IoT devices have come online, so now the […]

Article

Guide to Foamcore Joining Techniques

Foamcore (also known as foam board or foam core) is a lightweight building material typically consisting of an inner foam layer sandwiched by paper or another thin, lightweight material. If you have put together a poster for a school project or a work-related presentation, odds are you’re familiar with rigid foam core poster board. Foamcore […]

Article

Corrosion vs Oxidation vs Rust

It really grinds my gears when people use the word rust incorrectly. I spent years working as a metallurgist and design engineer analyzing material samples for failure. I love chemistry and have an obsession with relaying factual information. That’s why I dream of the day when all humans understand the difference between corrosion, oxidation, and […]

Article

Our Favorite Mechanical Inventions Helping the World Right Now

As an engineer, the peak in excitement and job satisfaction is the opportunity to create something that improves the lives of people around the world. While the field of biomedical engineering may be the most obvious area that directly helps people (which is why I began my studies in college in biomedical engineering) there are […]

Article

CNC Machining: Macros, Subprograms, and Parametric Programming

CNC (Computer Numerical Control) machining is an automated, subtractive manufacturing process where a CNC machine is controlled with a set of commands that, when followed, will produce a part. CNC operators create these commands through a process called CNC programming. This article describes CNC programming and the different types of CNC programming methods. What Is […]

Article

How to Finish 3D Printed Parts – Get the Ultimate Guide

Index Overview of Post-ProcessingABS (Printed on a Dimension Elite) ABS 3D Printed Part Finishing Process Materials Needed ABS 3D Printed Part Sanding Repairing the Incomplete Layer ABS 3D Printed Part Priming and Painting ABS 3D Printed Part: The Final ResultVeroBlack (Printed on an Objet30) VeroBlack 3D Printed Part Materials Needed VeroBlack 3D Printed Part Sanding […]

Article

Plasma Cutting: Everything You Need to Know

As a wee mechanical engineering intern working for a local steel manufacturing company, I will never forget the first time I stepped on the shop floor and saw plasma cutting in progress. It was the summer after my sophomore year, so I didn’t have much experience at that point, but I was mesmerized by the […]

Article

The Best CAD Software Programs in 2023

Every product design starts with an idea or a request for a quote from a customer and ends with a finished prototype or production part. The process used to start with a hand sketch or simply machining the component, then modifying it and repeating the process to refine the design. In 2023, we can use […]

Article

An Introduction to Surface Modeling in Solidworks

So, you’ve been designing “things” using Solidworks for a while now. Maybe you took a Solidworks class or two, maybe you didn’t. Either way, you got to the point where you want to design more complicated & organic shapes and you are struggling. After all, designing organic shapes typically requires surface modeling in Solidworks, which […]

Article

How to Start Designing 3D Models

When you’re a mechanical engineer like me, starting a new 3D model design is equally exciting and nerve-wracking as your mind fills with possibilities. Whether it’s a complex CNC part, a simple mechanical assembly, an innovative new product development (NPD) design, or a 3D printed mechanism, every project presents unique challenges and opportunities for innovation.  […]

Article

Your Guide to Nickel Plating

Nickel plating dates back several centuries and has been used for a variety of purposes over that period. There are two types of nickel plating, electroless and electrolytic. Electrolytic nickel plating or nickel electroplating is an electrochemical process whereby metal is deposited on a surface. Electrochemical processes are fueled by a chemical reaction, along with […]

Article

CNC Machining Complex Parts

Index What is a complex part?Why should you use CNC machining for creating complex parts?1. Machine Cutting Axes2. Cutting Tools and Part Features3. Tolerancing and Surface Finishing4. Work HoldingCNC MillingDesign for manufacturabilityTolerance and surface finish capabilityCNC TurningLive tooling v. non-live toolingTolerance and surface finish capabilityEDMTolerance and surface finish capabilityComplex Parts at Ridiculous Speeds Across the […]

Article

How to Prepare Rhino Files for 3D Printing

Correctly preparing a solid model file for 3D printing is a critical step in the part-production process. Accurate preparation of a 3D model for 3D printing ensures that the final product is dimensionally correct and meets your desired specifications — the 3D printer will print the model as designed, so any errors will be replicated […]

Article

The Bimetallic Strip Explained

While you may not be familiar with bimetallic strips, you likely have encountered thermometers that utilize them. Bimetallic strips are most often used in modern electronic and mechanical devices such as thermal circuit breakers, thermometers, temperature-sensitive switches, fire alarms, timers, relays, and motor starters. This article discusses what a bimetallic strip is, where it originated, […]

Article

10 New 3D Printing Materials

Fictiv is now better prepared than ever to meet your most demanding 3D printing project needs. We’ve supercharged our portfolio of capabilities with 10 new 3D printing materials for Stereolithography (SLA), Selective Laser Sintering (SLS), Fused Deposition Modeling (FDM), and Multi Jet Fusion (MJF) technologies.  We also now have bigger bed sizes and can 3D […]

Article

How Digital Manufacturing Reduces Supply Chain Disruptions

We all know by now that supply chain disruptions are an immutable part of business in 2023 and beyond. Plenty of digital ink has been spilled discussing the various major supply chain disruptions of the past few years, so I won’t bore you by rehashing them here. Suffice it to say, building strong supply chains […]

Article

8 Creative Ways to Recruit Skilled Mechanical Engineers

Recruiting skilled engineers is a daunting task — factors like job security, income, and benefits are a good start in attracting mechanical engineers, but you need to go the extra mile to attract highly skilled, passionate, and motivated engineers. Engineering candidates typically use logic when deciding to take a job and will often utilize a […]

Article

5 Ways to Combat the Machinist Shortage in 2023

Over the past few decades, there has been a steady increase in manufacturing demand, but simultaneously, there’s been a drop in the number of machinists entering the market. This shortage is hindering the growth of many businesses that have plenty of demand but simply cannot find the right people to drive growth on the manufacturing […]

Article

Heat Exchanger Material Selection

One of my favorite jobs as a mechanical engineer was as a heat exchanger designer for commercial aerospace. While it may appear straightforward, there are a lot of  considerations in good heat exchanger design, including:  Now, I could rant for days about optimal fin design, methods for joining plates and fins, and even flow-stream mechanical […]

Article

Using Robotics for CNC Machine Tending

To compete in an evolving manufacturing industry, it’s important to evaluate new techniques and technologies that aim to improve productivity. One such technology is machine-tending CNC robotics. CNC robot systems are widely used in the automotive and FMCG (fast-moving consumer goods) industries due to the productivity gains they provide.  Machine-tending CNC robots have, until recently, […]

Article

Consumer Electronics Certifications: FCC Regulations, EMC Testing, and More

You and your team have a killer consumer electronics product idea and the necessary skill set to bring it to market. But 50% of consumer electronics products fail EMC testing during their first pass. A failure in certification testing can stop your product development process dead in its tracks, resulting in large costs and significant […]

Article

What are Complex Parts: A Geometry Perspective

Com⠂plexadjective: complex/ˌkämˈpleks,kəmˈpleks,ˈkämˌpleks/not easy to analyze or understand; complicated or intricate.“a complex personality”Similar: complicated, involved, intricate, convoluted, tangled, elaborate What comes to mind when you hear the word complex? Maybe particle physics, the vast size of our universe, the enormity and reach of the world wide web, nuclear reactors, supplier sourcing? Any human relationship… ever? Perhaps […]

Article

10 Tips to Improve Your CAD Designs for CNC Machining

The ultimate goal of DFM (Designing for Manufacturing) for CNC machining is to design parts that achieve the design requirements while reducing the complexity of machining operations and the potential for quality issues. When designing for CNC machining, the maxim, simplicity is the ultimate form of sophistication, applies.  Despite its automated nature, CNC machining can […]

Article

Engineering Fundamentals Refresh: Strength vs. Stiffness vs. Hardness

This article was originally published in February 2017 by Humberto Villasenor. The content has been updated. Understanding the differences between the mechanical properties of strength vs. stiffness vs. hardness is foundational in mechanical engineering, yet these properties are often confused. These properties are related, but they have important differences:  For this article, we’ll review the […]

Article

Engineering Fundamentals Refresh: Bernoulli’s Equation

Fluid mechanics is one of the four branches of mechanics, the study of how fluids behave at rest or in motion — and you’re likely to use this knowledge as an engineer in real practice fairly often. I have used fluid mechanics to design heat exchangers for airplanes, to predict the flow of chemical solutions […]

Article

Types of Springs and their Applications: An Overview

Springs are common in all kinds of machines — from consumer products to heavy industrial equipment. Take apart anything that involves a mechanism, and chances are, you’ll find a spring inside. Springs are storage devices for mechanical energy, analogous to the electrical storage capacity of batteries. The earliest spring-driven clocks appeared in the 1400s. Fast-forward […]

Article

5 Tips for Developing People Skills as an Engineer

Let’s face it, engineers aren’t often known for their people skills. In fact, there is a connotation with engineering professionals that says we’re socially awkward, introverted, and just plain nerdy. Now there may be some truth to that — in my decade as an engineer, I have had many many awkward meetings, elevator rides, and […]

Article

Top-Performing Corrosion-Resistant Materials

Corrosion is a common problem that affects various materials and structures, reducing their lifespan and potentially causing serious safety hazards. To overcome this issue, scientists and engineers have developed various corrosion-resistant materials that are designed to withstand the damaging effects of various corrosive agents.  In this article, we will explore the top-performing corrosion-resistant materials and […]

Article

Fillets: When to Use ‘Em, When to Lose ‘Em

Fillets are one of those mysterious design features for which there seem to be no clearly defined rules. Either a part is entirely devoid of fillets, and most or all edges are well-defined, or the part’s designer decided to take the opposite route, and every single edge and corner is rounded with some size of […]

Article

A Guide to Rivet Types and Their Common Uses

Rivets are a versatile and low-cost method for fastening two components together. They’re typically used to attach sheet and structural members, and in some cases only require access to one side of the joint to install. Rivets are low-cost and come in a range of different materials like aluminum, stainless steel, and copper. This article […]

Article

5 Career Paths for Mechanical Engineers

Choosing a career path in mechanical engineering can be daunting, especially considering how varied the mechanical engineering field is. The US Bureau of Labor Statistics estimates that the demand for mechanical engineers will grow by seven percent from 2020 to 2030, and as many as 20,000 mechanical engineering jobs will become available over this period. […]

Article

Methods for Manufacturing and Calling Out Threaded Holes

Many experts consider the helical-thread screw to be one of the most important mechanical inventions in history — helical-thread screws are mechanical fasteners with a cylindrical shaft wrapped in helical threads or grooves cut into the cylinder’s surface. Screws are a critical mechanical assembly method because they convert rotational motion to a linear motion. This […]

Article

CNC Milling Explained

CNC milling is one of the most popular CNC machining services and technologies and is used in almost every industry from automotive to aerospace. This is due to the high levels of precision, repeatability, and production rate made possible with CNC mills. This article will describe CNC mills, including their various parts, how they work, […]

Article

CNC Acrylic: A Simple Guide to Understanding PMMA Machining

Polymethyl methacrylate (PMMA) is a transparent amorphous thermoplastic homopolymer that’s also known as acrylic or acrylic glass. PMMA plastic is an excellent alternative to glass and polycarbonate because it’s naturally transparent and has a glass-like appearance. PMMA has numerous modern-day applications and some highly useful properties.  One common method for shaping and finishing PMMA is […]

Article

The 3 Essential Methods for Gear Machining

Historically, gear fabrication methods have been classified into three main categories: generation, forming, and form cutting. As new gear manufacturing technologies are developed, new methods will be added to the list, but for now, those three are still the most common ways for machining a gear: Gear Generation Sunderland Method Rack-type cutters are one of […]

Article

How to Select & Source the Right Materials

So, you’ve finished the initial design for a new product or part… congratulations! Your R&D stage is complete, which means you’ve started iterating on the design and have a clear vision of:  The next, critical step in the development process is to research the best materials for prototyping and ultimately for mass production — a […]

Article

Our Best Tips for Designing Your Injection Mold

Once your plastic part design for injection molding has been completed and reviewed, and DFM feedback has been implemented and approved, the next step is to design your plastic injection mold: the tooling. This may sound obvious, but quality plastic injection molded products are only made with quality injection molding tooling. Your tooling must be […]

Article

The Best CAD & CAM Software for CNC

CAD (Computer Aided Design) and CAM (Computer Aided Manufacturing) are critical software components of modern CNC (Computer Numerical Control) machining. Most modern machine shops make extensive use of CAD and CAM software because the vast majority of manual machines have been replaced by CNC versions.  If CAD and CAM terminology has you confused, you aren’t […]

Article

The Advantages of Distributed Manufacturing

In recent years, global economic disruptions have both revealed new weaknesses and amplified existing issues in the global supply chain — causing companies around the world to rethink their approach to manufacturing. Because these supply chain issues will likely continue for the foreseeable future, it’s time to re-examine the existing manufacturing model.  Distributed manufacturing addresses […]

Article

How to Communicate Color, Material, and Finish Effectively

Note: This article is based on a previously published version by Sylvia Wu and has been updated to reflect Fictiv’s current capabilities, as well as 2022 innovations. When designing a product for the consumer market, industrial usage, or aerospace industry, how the product looks, feels, and functions is critical. Color, material and finish (CMF) are […]

Article

 Guide to CNC Machining Tolerances

Tolerances — the amount of acceptable variation from a design for a part to still function — are an integral part of any engineering design process. There are many books, courses, training seminars, companies, and even professions devoted to tolerances/geometric dimensioning and tolerancing (GD&T). Tolerances help us, as engineers, ensure our products are manufactured so […]

Article

Top 5 Heat-Resistant Plastics

Plastics are widely used in a range of applications due to their low cost, low weight, ease of processing, and a wide variety of material properties. However, most commodity and engineering plastics do not handle high temperatures very well. However, there is a group of plastics that not only have excellent thermal resistance but also […]

Article

Stainless Steel: Why Do We Call it Stainless?

Stainless steel, a corrosion-resistant iron-chromium alloy, is one of the most common and versatile metal alloys in the world. It’s strong, environmentally resilient, visually appealing, affordable, and has properties that are hard to come by in other metals. It is a green material due to its near-infinite recyclability. From the surface of the latest kitchen […]

Article

3 Career Paths for Design Engineers in 2023

In many manufacturing facilities, design engineers have a diva reputation — they’re known for imparting impossible-to-manufacture requirements, strict quality control requirements, and an unwillingness to compromise. While those stereotypes are earned, the truth is that most design engineers are passionate about the products they design and want to ensure the highest quality for their customers […]

Article

What is Vapor Smoothing of MJF 3D Printed Parts?

Do you love the customizability, speed, ease, and simplicity you get with 3D printing but dislike the roughness of the resulting parts? Well, there are a few common finishing methods to smooth out 3D printed parts, to give you a pleasing aesthetic, along with the production benefits mentioned above.  One of the common types of […]

Article

Everything You Need to Know About STEP Files

As an engineer, you probably have experience opening, reviewing, creating, or editing STEP files. During my freshman year at Rose-Hulman, I sat in a class with 30 other students who all seemed to have an enormous amount of knowledge about 3D modeling. Meanwhile, I had never created nor even opened one before, so the first […]

Article

 Jigs vs Fixtures: An Overview

Jigs and fixtures are frequently utilized in CNC machining to ensure precision, accuracy, and quality of CNC machined components. These are both types of engineered tooling designed to hold things in place during machining. The ability to hold things in place makes jigs and fixtures workholders for CNC machining. While both of these terms are […]

Article

Tapped Holes vs. Threaded Holes – Dispelling the Confusion

When designing mechanical assemblies, it’s likely that they’ll require fasteners for assembly. Fasteners like screws and bolts are commonly used to secure mating components, and they usually require some type of hole for assembly. There are many types of holes to use to install fasteners such as countersunk, counterbore, tapped, tapered, spot faced, and screw […]

Article

Hard Metals vs. Soft Metals for CNC Machining

The mechanical hardness of a material is defined as the ability of it to resist deformation. Hardness is measured by the amount of indentation made by a standardized applied force to the surface of a material.  Hardness is an important characteristic to consider when designing components that interact with each other. For example, when designing […]

Article

Let It Slide: Self-Lubrication in Mechanical Assemblies

Friction is one of the five contact forces along with tension, spring force, normal force, and air resistance. Friction is what gives us traction on the road, good brakes, and allows us to walk without looking like a baby giraffe. But sometimes we just want to let things slide, and that’s when friction frustrates — […]

Article

Industrial Part Marking: Engraving for Prototype and Custom CNC Parts

Industrial part marking is a critical, but often overlooked, component of new product development for CNC machined parts. Getting part marking right the first time is essential to traceability, configuration management, and ease of replacement for parts that wear. Part marking is even more critical for traceability and identification of custom or prototype CNC machined […]

Article

Calculating the Cost of CNC Machining Custom Parts

CNC machining is a complex and revolutionary subtractive manufacturing method whereby a metal or engineering plastic raw material is turned into a complex part. Whether components for aerospace, medical, automotive, consumer products, or robotics, CNC-machined parts are in high demand.  Once a new product is designed a critical part of the new product development process […]

Article

316 vs 304 Steel: Choosing Between Two Great Metals

Steel is an alloy composed primarily of iron and carbon that’s rigid and sturdy, so it’s used for heavy-duty applications like infrastructure, industrial equipment, and tooling for CNC machining. Unalloyed iron is soft and has limited uses, but the addition of carbon makes a much stronger and harder material.   Stainless steel (SS) is an alloy […]

Article

Tips for 3D Scanning to CNC Machine Repair and Overhaul Parts

If you’re involved in the operation and maintenance of a manufacturing facility, chances are that you need to procure Maintenance, Repair, and Overhaul Parts (MRO) from time to time. In the past, you may have spent hours measuring minute details to create a drawing or solid model of the component you are hoping to replace.  […]

Article

Supplier Selection Process Best Practices

If you are to the point in the design process where you can begin conversations with potential suppliers, congratulations! Ideally, you will begin this conversation sooner rather than later so you can get critical design for manufacturability (DFM) feedback, and reduce the number of design iterations required. But finding a supplier who can turn your […]

Article

Casting vs. CNC Machining: Which Process Is Best for Your Part?

We’re no longer in the Bronze Age, but some manufacturing techniques stand the test of time. Casting, a process where molten metal is poured into a mold, has been around for over 6,000 years and is still widely used and prominent in manufacturing to this day Advances in casting technology enable the casting of high-quality […]

Article

CNC Materials Series: Pros and Cons of Different Aluminum Alloys

Aluminum, or aluminium if you’re from the UK, is my favorite metal because of its high strength to weight ratio and suitability for a wide range of manufacturing applications. Aluminum is a commonly utilized material in many industries, and there are many aluminum alloys for CNC machining, CNC milling, CNC turning, welding, brazing, casting, stamping, […]

Article

What is metrology?

In a broad sense, metrology is the scientific study of measurement. Metrology encompasses both experimental and theoretical measurements, at any given uncertainty, for any field in STEM. And dimensional metrology is one of the main pillars of quality measurement systems in a manufacturing facility. Dimensional metrology is utilized to determine if parts are the correct […]

Article

3D Printing to CNC Machining: When to Make the Switch

3D printing, an additive manufacturing process, has made its way into almost every industry. From automotive to fashion, it has improved the way companies in a variety of fields do new product development. However, long before 3D printing revolutionized prototyping, CNC (computer numerical control) machining dominated the manufacturing world. If your job is to design […]

Article

The Engineer’s Guide to AC vs DC Motors

While different electric motors serve vastly different purposes, their core function remains the same—to convert electrical energy into mechanical energy. Motors are the opposite of generators, because they convert electrical energy into mechanical energy, while generators convert another form of energy into electricity (you can see a huge deconstructed generator undergoing maintenance at the Hoover […]

Article

3 Career Paths for Industrial Designers

According to the U.S. Bureau of Labor Statistics, the field of industrial design is expected to grow substantially over the next eight years. And, with an average salary of $77,030 a year reported in 2021 (but closer to $104,000 in San Francisco), the field promises great job security and financial stability. Plus, design thinking, a […]

Article

How To Make a Great Engineering Drawing Manufacturers Will Understand

Before the invention of CNC (Computer Numerical Control), machinists relied solely on 2D engineering drawings to determine machining steps and parameters. Manufacturing has come a long way since then, thanks to precise 3D modeling and CAM (Computer Aided Manufacturing) programs.  In 2022, we’re fortunate to be able to import solid 3D models into a CNC […]

Article

How to Choose the Best Fasteners for 3D Printed Parts

We get a lot of questions about the best methods for fastening different 3D printed components. When prototyping hardware products — like electronics enclosures or robotic assemblies — you often need to design mating structures that are more complex than a single 3D printed component. Other times, you may need to print components larger than […]

Article

Best CNC Machining Robotics Components

The year is 2050, and robots… are… everywhere. They’re delivering packages, driving cars, piloting airplanes, and tending to the sick and elderly.  Okay, maybe that’s a stretch, but it’s no joke that robots are more common with each passing year. In my house, I have a robotic vacuum, a robotic speaker, robotic toys, and some […]

Article

CNC Materials Series: Best Methods for Cleaning CNC Machined Parts (An Overview)

Cleaning is defined as the removal  of dirt, impurities, or extraneous matter. You may not think of cleaning as an important part of your manufacturing processes, but it’s a critical post-CNC machining process. Why? Improper cleaning can result in quality issues that are entirely preventable with the proper methods. Here are some of those issues: […]

Article

CAD File Formats and How to Export Them for 3D Printing

There are a lot of CAD (computer-aided design) file types out there, each with its own names, formats, and parameters. From STEP files to STL files, to IGES and more, it can be difficult to differentiate between them. This article will help you understand the difference between these file types, and which are best for uploading […]

Article

GD&T: A Step-By-Step Guide

Geometric Dimensioning and Tolerancing (GD&T) is the building block of modern engineering drawings. To learn the basics of GD&T, check out our GD&T 101 article which includes the definitions and utilization of:  CNC machining tolerances The Datum Reference Frame (DRF) Interpreting GD&T Symbols Applying Geometric Symbols to Engineering Drawings The Feature Control Frame Communicating Basic […]

Article

How to Prepare Files for Uploading to Fictiv

At Fictiv, we receive lots of different types files each day. In the world of 3D modeling, there are lots of options for sharing CAD data, each with their own strengths and weakness. When preparing to upload files to Fictiv, we prefer to receive a STEP file, but also accept properly exported STL files. STEP […]

Article

O-Ring Groove (Gland) Design Guide

Let’s say you designed a mechanical assembly that requires some sort of mechanical sealing. Or you have a maintenance project that requires additional sealing to a new joint. Perhaps your assembly has a fluid reservoir, requires cooling fluid to pass through, or you’re joining two components together and need them to sit flush. To solve […]

Article

Overview of Types of Vertical Mills

The world of CNC machining services can be overwhelming — I’ve personally gotten turned around by all the CNC machining jargon before. There’s a whole dictionary of commonly used acronyms and when you head to research what they mean, there isn’t a lot of data available.  Within the CNC milling machine classification, there are many […]

Article

How to Conduct a Tolerance Analysis for 3D Printed Parts

Once you have modeled your parts in CAD software, you may be tempted to send them off to be manufactured in your 3D printer. However, before doing so you should perform a tolerance analysis to make sure what you’re printing “stacks up.” Tolerance Analysis, or tolerance stack-up as it is sometimes known, is a critical […]

Article

Aluminum Anodizing: All You Need to Know

Aluminum Anodizing Overview The anodizing process (sometimes known as anodization) converts the surface of aluminum into a thicker, more uniform oxide layer through an electrolytic process. Electrochemically anodizing aluminum produces an aluminum oxide surface that has: Corrosion resistance A pleasing appearance Wear resistance Improved paint or adhesive bonding Improved lubricity Improved plating adhesion This article […]

Article

Which Type of CNC Cutting is Best for Your Parts?

Whether you have a new and exciting part design, or you’ve been asked to optimize an existing part, choosing the optimal CNC cutting method can be difficult. CNC (Computer Numerical Control) machining is a large and growing industry, encapsulating a variety of manufacturing processes — all aimed at producing parts by removing material. In this […]

Article

Precision CNC Machining: How Can You Make Your Parts More Precise?

When you hear precision CNC machining, what comes to mind? Isn’t all CNC machining “precision?” In a sense, yes. CNC machining allows you quickly manufacture precise parts in large volumes. However, it goes much further than that. In this article, we’ll discuss: So What Does Precision Really Mean? Precision and accuracy are often confused and […]

Article

What is ISO 2768? A Guide to Tolerance Standards for CNC Machining

Determining the correct tolerances to apply to your product design can be challenging. There are natural variations amongst products that occur in mass production and you should plan for these deviations when you are applying tolerances to products.  That said, you can decide how much a fabricated product can deviate from the engineering drawing dimensions […]

Article

10 Macro Trends in Manufacturing for 2022

What’s a macro trend (also known as a macrotrend)? While a trend is a general shift toward a specific thing, a macro trend is a persistent and widespread shift on a global scale. Examples include urbanization, automation, and globalization. It’s much longer-lasting than a fad and tends to change national or global culture and practices.  […]

Article

3-Axis to 12-Axis: CNC Milling Machine Capabilities Compared

Computer Numerical Control (or CNC) machining combines the efficiency of computer programming with the customizability of subtractive manufacturing. The CNC controller works in conjunction with mechanical components such as axes, motors, and drive components to automate the manufacturing process and maintain quality and repeatability. There are many different types of CNC machines on the market […]

Article

Our Best Tips for Sustainable CNC Machining

You may be reading this because you’re personally committed to protecting the environment. Perhaps your organization has made bold sustainability commitments to your shareholders, customers, and society at large. Now it’s up to you to understand how such a rugged, industrial manufacturing process can be modified to fit the call to reduce carbon emissions (lower […]

Article

Slip Fit Tolerances and Geometry

Have you recently assembled Ikea furniture? If so, I apologize. I send my condolences for the frustration you experienced when the holes did not line up with the pins you put in other holes or when you realized you were missing a fastener. The good news is that you did gain something from the experience […]

Article

CNC Machining with Robotics – Outlook and Manufacturing of Cobots in CNC Machining

Collaborative robots, commonly known as cobots, are so named because they are designed to provide collaborative, safe assistance to people. The first cobot was invented in 1996 by J. Edward Colgate and Michael Pashkin – and today, cobots are growing increasingly popular in manufacturing and industrial settings, performing simple, repetitive tasks such as feeding a […]

Article

EDM – Electrical Discharge Machining – Choosing the Best Materials

EDM (Electrical Discharge Machining) is a rapidly growing and versatile manufacturing method for cutting parts out of stock material. In 2022, the EDM market is growing at a rapid, predictable rate of 6.9% CAGR (based on a market size of US$5.3 billion in the year 2020 and projected growth through 2027).  What is the Electrical […]

Article

How to Write an Engineering Requirements Document

The Product Requirements Document (PRD aka Product Requirement Document) is a familiar term to most engineers. Typically, we get the PRD from a product manager; it tells us what to build but not how to build it. But let’s face it, it’s probably better that way. Engineers hate being told how to implement an idea — that’s the fun […]

Article

Creating Involute Gears in CAD

Say you’re 3D printing a robot, and you’re designing a sweet gearing system to make your robot move smoothly. You can choose to 3D print or CNC machine involute gears for simple and reliable incorporation in your robot design. What to do about the fact that most CAD programs don’t have a “create involute gears” button? Welp, you’ll […]

Article

Pressure Testing CNC Machined, Cast Parts: Our Best Tips

Pressure testing, or leak testing, CNC machined, cast parts is a common functional test performed on parts and assemblies for the automotive, aerospace and medical industries. Read on to learn our best tips for pressure testing, including how it works, when to pressure test, pressure testing specifications and pressure testing methods.  What is Pressure Testing? […]

Article

How to Cut CNC Machining Costs

Known for a having a hardworking and meticulous nature, Abraham Lincoln once said, “Give me six hours to chop down a tree, and I will spend the first four sharpening the axe.” While you probably aren’t reading this article for tree-felling advice, what Abe was getting at is that careful planning is important for any […]

Article

CNC Materials Series: Tips for CNC Machining Titanium for Medical and Aerospace Industries

Titanium (Ti) is a shiny metal with a high corrosion resistance and high strength. Titanium is impressively lightweight and biocompatible. Titanium is a transition metal with atomic number 22, period 4 and group 4 on the periodic table. It has a hexagonal crystal structure and two electrons in its fourth orbital, with an electron configuration […]

Article

How is Agile Manufacturing Impacting CNC Machining?

When you think of agility, something that comes to mind may be the agility competitions for dogs that are broadcast for interested parties to cheer their favorite dog on. You might recall the obstacles the dogs must navigate (typically 14-20), in order to secure a qualifying score or win. Dog agility competitions are serious, with […]

Article

Recommended Wall Thickness for 3D Printing

One of the most important considerations when designing parts for 3D printing in 2022 is the 3D printing wall thickness, sometimes referred to as the wall thickness. While 3D printing makes prototyping easier than ever—not only in terms of cost and speed, but also in regards to DFM (design for manufacturing), you can’t disregard DFM […]

Article

CNC Materials Series: Common Materials Used in CNC Projects

CNC (Computer Numerical Control) machining has been around for decades. CNC machining is more popular than ever with today’s technological advancements in machining, along with a vast array of superior metal alloys such as superalloys. There is a wide array of CNC machining providers from in-house machining services to outsourced manufacturers to the innovative on-demand […]

Article

CNC Plastics Selection Guide

The first step in designing a part is to determine what material it should be made out of. If you decide the part should be plastic, and it should be CNC machined, the selection does not simply stop there. There is a plethora of machinable plastic to choose from for plastic machining in 2022, each […]

Article

Hardware Testing 101

Software and hardware engineers alike have heard some form of this advice: “Build lots of prototypes; iterate as fast as you can.” For those of us in the hardware industry, these prototypes can cost a lot of time and money. So, while we should strive to iterate quickly, we must also get as much information […]

Article

Best Practices for Fixing Solidworks Import Errors

Like most SOLIDWORKS software users, you likely collaborate with other people on part designs or assembly projects. Collaboration is typically a good thing. After all, two heads are better than one, right? However, not everyone uses SOLIDWORKS, so the people you collaborate with likely end up sending you files with extensions like IGES, QIF, JT, […]

Article

Methods for Cleaning 3D Printed Parts

You’ve envisioned it, you’ve modeled it, and you’ve printed it. As it turns out, however, your newly printed prototype may need a bit more TLC before it appears, or functions as intended. 3D printed part finishing often involves a cleaning step to improve appearances or remove unwanted support material.  The purpose of this article is […]

Article

Design Methods to Improve Torsional Rigidity

Products that are subject to a torsional load often require analysis like the analysis used for bending stiffness. The main differences are the specific material property to be used (Shear Modulus or Modulus of Rigidity) and the polar moment of inertia (which is very similar to the area moment of inertia used in bending). Torsion […]

Article

Heat Sink Design Guide & Considerations

In a world of ever-increasing electronics, our lives are continuously impacted by devices that incorporate some sort of heat-generating circuitry. When it comes to electronics that dissipate power in the form of heat during normal operation, it is often necessary to manage this heat, to ensure the components don’t exceed their maximum allowable temperatures. One […]

Article

3 Tips for Stronger 3D Printed Parts

Depending on the intended use case for your 3D printed part, structural integrity can be a crucial ingredient. It could be a matter of ensuring that your product doesn’t collapse when used or even a matter of ensuring user safety. The world in 2022 seeing a vastly accelerated need for 3D printed parts in mult-disciplinary […]

Article

Stress Concentrations: How to Identify and Reduce Them in Your Designs

Today’s product complexity, along with increasing downward pressure on overall pricing, has led to an inevitable increase in the geometric complexity of mechanical components. The increased geometric complexity allows components to be utilized in an advanced way, typically performing multiple functions. This multi-functional utilization has led to complex load transfers, resulting in new stress concentrations. […]

Article

Your Guide to New Product Introduction (NPI)

Developing a new product and bringing it to market is a massive undertaking, but it’s also what drives the advancement of any industry. The Harvard Business Review says that “ideally, a successful new product can set industry standards—standards that become another company’s barrier to entry—or open up crucial new markets.”  Not every product can pace […]

Article

Fiat 500 EV Conversion: Prototyping and Sourcing Parts

In this part of our Butterball electric vehicle conversion series of articles, we’re discussing prototyping and making parts vs. buying them off the shelf — and you can learn more about the genesis of the project, its mechanical design, and electrical system in our other articles. As a digital manufacturing company, we’re very familiar with […]

Article

Fiat 500 EV Conversion: Electrical System

When it comes to an electric vehicle conversion, naturally, designing and installing the electrical system is an indispensable part of the process. It’s in the name, after all! In this article, we’ll discuss how we designed the new electrical system for our EV car conversion project, affectionately known as Butterball. You should also check out our […]

Article

Fiat 500 EV Conversion: Mechanical Design

Welcome to the next installment of our Butterball EV conversion! In case you didn’t read our introductory article, Butterball is our pet name for the cream-colored 1966 Fiat 500 that we converted to an electric vehicle this past year as a means to foster community here at Fictiv while we were all working remotely.  You […]

Article

Fiat 500 EV Conversion: Project Butterball

Welcome to our 4-part EV car conversion series! We started this project last year to learn about cars and foster community while we are all working remotely. In this article, we’ll give you an overview of our approach and the decisions our engineers made when turning our 1966 Fiat 500, Butterball, into an electric vehicle. […]

Article

Manufacturing Costs of 3D Printing vs Urethane Casting vs Injection Molding

3D printing, urethane casting, and injection molding: they’re each suited to different stages of the product development and production process, but how do you know when to use each one? A few factors go into this decision: cost, lead time, and quality. In this article, we’ll discuss indirect and direct costs and lead times for […]

Article

Working with Copper: Design, Machining, and Finish Requirements

Copper is a truly versatile metal. Copper has a naturally beautiful, shiny finish that makes it desirable for artwork, cookware, kitchen backsplashes, countertops, and even jewelry. It also has excellent material and electrical properties for engineered, complex parts, like EDM electrodes. There are many benefits to using copper for machined parts. Copper is one of […]

Article

CNC Machining Copper Alloy EDM Electrodes

Electrical Discharge Machining (EDM) is an amazing technology that can manufacture complex shapes in a variety of conductive materials — and it produces tightly toleranced parts with excellent finishes. EDM is a subtractive electro-thermal manufacturing method that utilizes electricity to erode the surface of a part.  Basics of Electrical Discharge Machining In general, EDM can […]

Article

Solving 7 Common Problems in CNC Machining Aerospace Components

CNC Machining for Aerospace: An Overview The aerospace industry is different from others because the consequences of a given part’s failure are dire. No need to go into details, but in general, everything needs to work perfectly every time. This means every gear needs to turn, every bracket needs to stay in place, and it […]

Article

Rising Up to Design and Manufacturability Challenges in Aerospace

Want to learn more about machining challenges when working with aerospace components? Register for this live webinar. The world of aerospace involves a degree of perfectionism that is not inherent to most industries. Safety is a critical factor when it comes to aviation design, and components must be manufactured in accordance with the highest standards of […]

Article

Scaling Up from Prototype to Production using 3D Printing, Urethane Casting and Injection Molding

What do you do when you feel like you’re ready to move on from prototyping, but not quite ready to make production quantities of your parts? Sounds like you need a way to bridge the gap! Bridge production is your answer – using manufacturing processes that are suitable for low volumes but can give you […]

Article

CNC Machining vs. Manual Machining

Humans do not like change. Believe it or not, after calculators were invented, some people refused to give up their slide rules. Similarly, CNC machining was invented decades ago, yet there are still those who prefer manual machining techniques. This preference persists despite CNC technology’s ability to manufacture and replicate precision parts that are fully […]

Article

Finding the Right Secondary Operations After CNC Machining, Part III: Hardware Installation

This is Part III in our series on CNC machining secondary operations, where we’ll be discussing hardware installations — we covered heat treatments and post-processing finishes in Parts I and II.  Hardware installation is an essential step for joining multiple parts to create the final product and is always performed after heat treating and post-processing […]

Article

Finding the Right Secondary Operations After CNC Machining, Part II: Finishes

CNC machining is but a single step in the new product creation process. First, you design the part, then it’s carved by a CNC machining service or shop, and finally, you put the finishing touches on it! This is the second in a series of three articles discussing those finishing touches. Here in Part II […]

Article

What You Need to Know About CNC Machining Aluminum

Aluminum is the name of the most abundant metallic element found in earth’s crust, which is part of the reason why it’s used in so many objects that we use every day. In fact, it’s the most widely used non-ferrous metal (meaning that it doesn’t contain any iron). Aluminum is found both in common objects, […]

Article

How to Select CNC Machining Tolerances When You Have Complex Requirements

Sometimes juggling all the requirements for tolerancing your part can feel like a circus act. As a design engineer, you must choose machining tolerances for fit, form, function, customer requirements, industry specifications,manufacturing capabilities, and don’t forget about making sure it can be inspected and properly defined. Whew! It’s a struggle to create parts which are […]

Article

The Many Types of Steel, and What You Should Know About CNC Machining Them

Steel comes in many forms: sheet metal, plates, bars and beams of various geometries, pipes, and of course, the solid stock material used when CNC machining steel. Steel is used for so many applications and by so many industries that it makes sense for there to be many different types of steel. But what’s the […]

Article

How to Perfom a Hypothesis Test, an Essential Element of Good Engineering

Statistics may not be your favorite subject from college, but it’s a critical part of an efficient product design and manufacturing process. Using statistics you can design experiments, run tests, collect real world results, and make data-driven decisions. These experiments can be used to test the effect of changing a dimension, material, or manufacturing process […]

Article

When, Why and How You Should Switch from Die Casting Parts to CNC Machining Them

Deciding which manufacturing process to choose can be difficult; there are many different factors to consider. You may start out with a die casting process because it can deliver the quantity you need and meet your required tolerances. However, down the line you may need to change to a different manufacturing process. This may happen […]

Article

Fictiv Announces Agile 3D Printing Collaboration with Jabil

SAN FRANCISCO, July 07, 2020 – Digital manufacturing ecosystem company Fictiv today announced a new industry-first collaboration that makes Jabil Inc. a key part of its global manufacturing network to connect and streamline 3D-print prototyping through to mass-scale production using an innovative digital thread. Designed to de-risk and streamline the supply chain through quality, speed, transparency, and […]

Article

5 Reasons You Need to Use 2D Drawings

As an engineer, you’ve made many 2D drawings, because drawings are still essential to the manufacturing process. Given advances in design tool technology, you may also have wondered: “Why am I creating this drawing? Why aren’t we using CAD?”  Good questions! Computer aided design (CAD) and computer aided manufacturing (CAM) are amazing tools but they […]

Article

G-code Knowledge is Key to Mastering Any CNC Machine

M06? G54? S1000? Do those numbers mean anything to you? Knowing the most common commands in your G-code may not be at the top of your priority list, but it can go a long way in helping you understand what your machine is doing. CNC machines are really good at doing exactly what they’re told. […]

Article

Cutting Tools Used in CNC Machining – Choose the Right Tool for the Job

As a mechanical engineer or designer, how much time do you spend thinking about how your parts are going to be machined? Even more specifically, do you know what kinds of tools will be used to make different features or geometries? This article will be your guide to the most common tools used in CNC […]

Article

Introduction to Workholding Options for CNC Machining

Your CNC machining process is only as good as your workholding setup! CNC work holding methods keep your part rigidly in place and reduce the stiffness. You can also refer to work holding as fixturing. A good CNC workholding setup is key for locating the next part to be machined. Fixturing is also important for […]

Article

Fictiv Delivers Speed and Quality With Integration of New Quality Services into Its Digital Manufacturing Platform

Unique integration of quality services into Fictiv digital thread allows customers to realize the promise of quality, transparency, and speed for complete reliability standards SAN FRANCISCO, March 16, 2021 – Fictiv today announced the integration of a number of new quality inspection and certification services directly into its self-service digital manufacturing platform. These new additions make it […]

Article

Fictiv Founder and CEO Dave Evans Honored with 2021 Manufacturing Leadership Award for Role in Digital Transformation

Evans was an early visionary and driving force in industry’s move to digital transformation, pioneer behind Fictiv’s Digital Manufacturing Ecosystem SAN FRANCISCO, Calif., March 15, 2021 – Fictiv today announced that company founder and CEO Dave Evans has been recognized as a Manufacturing Leadership Awards winner for his contribution to digital transformation within the industry. Designed by […]

Article

Fictiv Named a Global Leader in Cloud Computing

SAN FRANCISCO, Dec. 08, 2020 – The Business Intelligence Group today announced that it has awarded Fictiv a 2020 Stratus Award in its annual business award program, which highlights the companies, products and people offering unique solutions using cloud technologies. Fictiv was recognized as a Cloud Disruptor for delivering rapid digital transformation to the decades old status quo within […]